Intranet Français | English | Español | عربي
Plâtre.com

Reconstitution des vieux enduits de Dubaï Jumeirah avec les archéologues locaux

Site


Vieux Dubaï

Jumeirah est aujourd'hui un des quartiers residentiels chics de Dubaï, aux Emirats Arabes Unis. Au 10ème et au 17ème siècle, c'était un village, lieu de passage des caravanes sur la route entre le nord de l'Irak et le nord d'Oman.
Le site a été récemment redécouvert et est maintenant étudié par les archéologues du gouvernement de Dubaï.

Analyse

Les archéologues ne connaissaient pas la composition des vieux enduits que les fouilles avaient découverts sur le site, Platre.com a proposé son aide pour mener à bien une analyse visant à reproduire les enduits originaux du site.

Analyse chimique


Échantillon, prêt pour l'analyse

L'analyse chimique a donné les résultats suivants :

Sulfate de calcium (plâtre pur) :72%
Carbonate de calcium :18%
Partie non soluble :10%

Ces résultats montrent qu'il s'agit d'un enduit au plâtre. Ils n'indiquent cependant pas la provenance des carbonates.
Un étude plus poussée au Microscope à Electronique à Balayage (Scanning Electron Microscopy - SEM) était donc nécessaire.

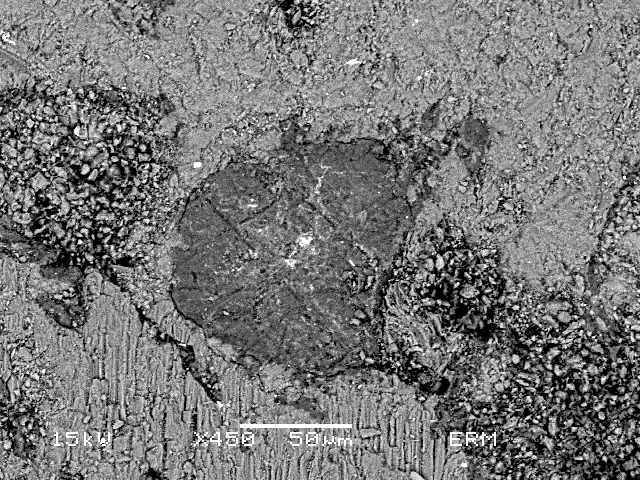
Étude au Microscope à balayage électronique

Ci-dessous figurent les images obtenues au microscope électronique, à différentes échelles.
Sur ces images, on peut voir la matrice gypseuse, des carbonates (parties sombres) et des inclusions d'argile (parties grises et rondes).
Dans la matrice de gypse, on voit clairement des cristaux de célestine (sulfate de strontium). L'idée est d'utiliser la célestine comme un marqueur d'origine des différents constituants. Nous avons donc cherché ces mêmes cristaux dans les autres parties (carbonate & argile).
Dans les carbonates, aussi bien que dans les inclusions d'argile, on retrouve les mêmes cristaux de célestine : ils apparaissent sous forme de points brillants sur les images (parfois difficiles à voir sur les images à plus basse résolution).
Ceci montre que les trois principaux constituants de l'enduit ont la même origine géologique. On peut donc en conclure que ces enduits ont été fabriqués à partir d'une seule pierre, à savoir un gypse qui présentait des impuretés carbonatées et argileuse et qui a été directement cuit sans modification, ni mélange.
Notons que la technique de cuisson utilisée était relativement propre car l'enduit ne contient pratiquement pas d'impuretés carbonées.


Impureté de carbonate
Impureté d'argile

Contretypage (reproduction)

Une fois la composition de l'enduit connue, nous étions en mesure de créer un nouveau produit ayant exactement la même composition et le même aspect que l'enduit original.
Ci-dessous on peut voir côte à côte l'enduit original du 17ème siècle et le nouveau produit (D4553), prêt à l'emploi pour les anciens bâtiment de "Dubaï heritage".

Original Nouvel enduit - #D4553

Ce projet a été présenté à la conférence Global Gypsum 2008 qui s'est tenue à Dubaï. Les diapositives peuvent être téléchargées ci-dessous.


Présentation donnée lors de la conférence Global Gypsum 2008
2.6 Mb

Merci pour l'aide et le support de

DécoSystème