Intranet Français | English | Español | عربي
Plâtre.com

العمل مع علماء الآثار لإعادة تصنيع الجبس المستخدم قديماً في الجميرا في مدينة دبي

الموقع


دبي القديمة

في القرنين العاشر والسابع عشر كانت منطقة الجميرا في دبي الامارات العربية المتحدة عبارة عن محطة للقوافل المسافرة عبر الطريق التجارية الرابطة مابين العراق و شمال عُمان.
تم إكتشاف هذا الموقع مؤخراً وهو حالياً قيد الدراسة من قبل علماء الآثار في حكومة مدينة دبي.

التحاليل

علماء الآثار لم يتوصلوا لمعرفة مما كان مصنوع الطين القديم، قامت شركة (Plâtre.com) بتحليل كامل لتتمكن من إعادة المنتج الاصلي

التحاليل الكيميائية


عينة جاهزة للتحليل

نتائج التحليل الكيميائي أظهرت النتائج التالية :

كبريتات الجبس الخالص :٧٢%
كربونات الكالسيوم :١٨%
أجزاء غير قابلة للذوبان :١٠%

لقد أظهرت النتائج السابقة بأن هذا الجبس أساسه طين، لكنها لم تكن كافية لشرح من أين مصدر الكربونات، لذلك تم استخدام الماسح الإلكتروني المجهري لمعرفة المزيد من التفاصيل.

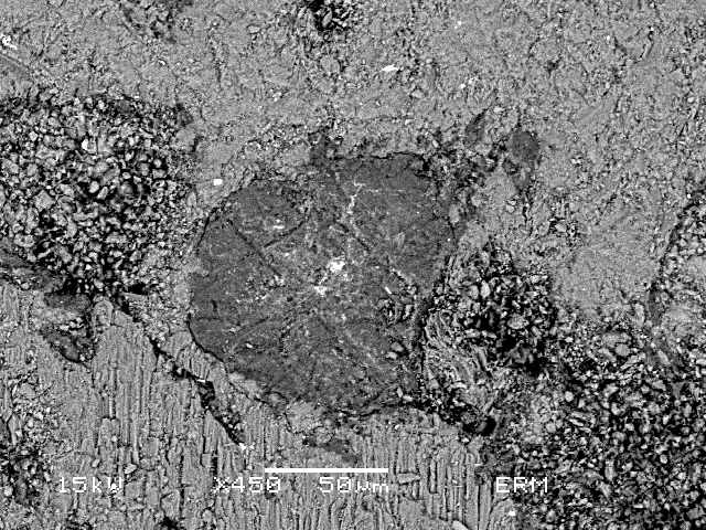
تحليل الماسح الإلكتروني

تظهر صور المسح المبينة أدناه طبقات عدة.
في هذه الصور يمكنكم رؤية القالب الأم ، القسم الكربوني وهو باللون الداكن والجزء الطيني وهو على شكل دوائر رمادية.
داخل القالب الأم يمكننا بوضوح رؤية بعض بلورات الكبريتات الفلزية التي من المعروف أنها تترك آثار واضحة، لذا بحث عنها في أجزاء أخرى (الكربونات و الصلصال).
تم العثور على نفس الكبريتات الفلزية داخل قسم الكربونات أيضاً كما هو داخل قسم الصلصال يظهرون على شكل بقع بيضاء في الصور (يصعب قليلاً رؤية الجزر السفلى للصورة).
هذا يظهر ان العناصر الثلاث الأساسية اتت من نفس المصدر الجيولوجي. كما يظهر أيضاًبأن تقنية الطهي المستخدمة كانت نقية تماماً حيث أن هذا الجبس لا يحتوي على أي قطع من الفحم.

الجزء الجبسي
الجزء الكربوني
الجزء الطيني

عملية إعادة التصنيع

التواجد لمحتوى الجبس ساهم في تصنيع المنتج بالمحتويات نفسها تماماً ومطابقة لشكله.
في الصور المبينة أدناه يمكنكم رؤية جبس الجميرا الأصلي من القرن السابع عشر و المنتج الجديد (D4553)، وهو جاهز للاستخدام في الأبنية التراثية لدبي القديمة.

الاصل المنتج الجديد #D4553

تم إلقاء محاضرة حول هذا المشروع خلال مؤتمر (Global Gypsum 2008) الذي عقد في دبي . يمكنك تحميل نسخة من المحاضرة (عبر الرابط المبين أدناه).


محاضرة أعطية خلال المؤتمر العالمي للجبس الذي أقيم سنة ٢٠٠٨
٢،٦ مب

نشكر كل من المساهمين والداعمين

DécoSystème